聯系方式
全國服務熱線:13925517500
東莞總公司
聯系我們:
公司:東莞市佰士騰機械有限公司
電話:+86-769-82180206
傳真:+86-769-82180202
國內中文網站:www.shentongzhiye.cn國外英文網站:www.bestenjx.com
地址:廣東省東莞市橫瀝鎮田頭上嶺第二工業區
國外業務聯系人:
Christina Chen(陳麗燕)
Co:DongGuan Besten Machinery Co., Ltd.
Mobile:+86-13421913887
FAX:+86-769-82180202
Email:lyc@bestenjx.com
Skype:christinacly1
QQ:576079609
Wechat:+86 13421913887
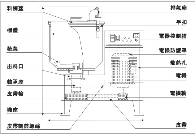
干燥高速立式塑料攪拌機
干燥混色機/高速混色機特點: 1、集溫度、時間控制于一體,方便各種參數的設定; 2、結構合理,操作容易; 3、不銹鋼內膽、外殼,清潔方便; 4、雙層保溫裝置;
聯系我們Tel:13925517500
干燥混色機/高速混色機特點:
1、集溫度、時間控制于一體,方便各種參數的設定;
2、結構合理,操作容易;
3、不銹鋼內膽、外殼,清潔方便;
4、雙層保溫裝置;

型號Model | 功率kw | 功率p | 容量kg | 電壓V | 轉速r/min | 外形尺寸cm | 凈重kg |
| BPM-50-SD | 7.5 | 10 | 50 | 380/3¢ | 480 | 117*83*135 | 230 |
| BPM-100-SD | 15 | 20 | 100 | 380/3¢ | 480 | 134*98*152 | 270 |
| BPM-200-SD | 30 | 40 | 200 | 380/3¢ | 480 | 170*130*170 | 700 |












